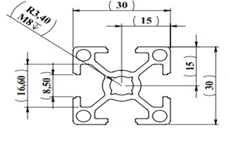
30 X 30 Sigma Profil Bu ürünü paylaş
Genelikle makina kabini yapımında kullanılır. 30x30 profiller aynı zamanda hafif konstrüksiyonlarda tercih edilir. Pano, vitrin teşhir standları vb. yerler diğer kullanım alanlarındandır.
| Stok Kodu | Malzeme | Boy | Kütle | Kanal Açıklığı | Atalet Momenti | Mukavemet Momenti | ||
| Wy | Wx | Ly | Lx | |||||
| K.M.3030 | EN AW 6060 T66 (AlMgSi0,5 F22) | 6 Mt. | 0,820 kg/mt | 10 mm | 1,800 cm³ | 1,800 cm³ | 2,700 cm⁴ | 2,700 cm⁴ |






















